DIN-kontakter och transientskydd
Publicerat: 2025-02-12

Lär dig mer om transientskydd och kabeltyper för DIN-kontakter

Vid styrning av magnetventiler kan spänningsspikar orsaka ljusbågar och skador på både reläer och spolar, vilket leder till kortare livslängd och driftstörningar. Genom att välja rätt transientskydd minskar du risken för överspänning och skyddar din utrustning effektivt. I den här guiden går vi igenom olika typer av transientskydd, deras fördelar och hur du väljer rätt lösning för din applikation.

Kunskap

Transientskyddets funktion

Transientskydd används för att skydda såväl magnetventilens spole samt dess styrelektronik, vid frånslag av spolen alstras en spänningsspik som kan skapa en ljusbåge i det relä som styr magnetventilen. Detta får till följd en betydligt förkortad livslängd på reläet. Vid tillslag kan spolen utsättas för yttre spänningsspikar som kan förstöra spolens lindningsvarv med kortslutning som resultat.

Hur du väljer transientskydd

Innan man väljer transientskydd bör man tänka på följande saker:

  • Vilken typ av spänning har spolen, AC/DC?
  • Eftersom de elektriska komponenterna har olika urladdningstid, hur snabbt förlopp behöver jag?
  • Hur känslig är den elektronik som styr spolen?

Olika transientskydd och inkopplingar

Lysdiod + släckdiod C3

Vid frånslag av spolen drivs strömmen som orsakats av självinduktion genom släckdioden, vilket medför att den lagrade energin omvandlas till värmeenergi i spolen.

Fördelar:

  • Släckdioden klarar av arr arbeta på 12 V till 230 V, hänsyn måste dock tas till lysdioden
  • Backspänningen kan inte överstiga 0,7 V DC
  • Lysdiod för indikering av spänning

Nackdelar:

  • Fungerar endast vid likspänning, viktigt att koppla plus/minus rätt, annars förstörs dioden
  • Relativt lång urladdningstid vilket förlänger stängningstiden hos ventilen

Typ C3

Kopplingsschema Typ C3

Lysdiod + varistor C4

När spänningsspiken p.g.a. av självinduktion når varistorns gränsvärde, kortsluter denna kretsen och den lagrade energin omvandlas till värmeenergi i varistorn och spolen. Gränsvärdet för varistorerna i mPm´s kontakter är ungefär dubbla matningsspänningen, se tabell nedan.

Fördelar:

  • Spänningen överstiger aldrig varistorns max. spänning
  • Ej polaritetsberoende, går att använda vid både lik- och växelspänning
  • Vid lämpligt vald varistor är uppladdningstiden kort
  • Lysdiod för indikering av spänning

Nackdelar:

  • Man får en viss backspänning, upp till varistorns max. spänning

Typ C4

Kopplingsschema Typ C4

Lysdiod + zenerdiod S0

Vid frånslag av spolen drivs strömmen som orsakats av självinduktion genom den dubbelriktade zenerdioden, vilket medför att den lagrade energin omvandlas till värmeenergi i spolen.

Fördelar:

  • Bra skydd mot spänningsspikar (begränsad av transilspänningen hos zenerdioden)
  • Skyddar mot spänningsspikar från matningssidan och mot backspänning
  • Ej polaritetsberoende, går att använda både vid lik- och växelspänning
  • Lysdiod för indikering av spänning

Nackdelar:

  • Lämpligast för 12-48 V. (Finns för spänning upp till 230 V på förfrågan).
  • Relativt lång urladdningstid vilket förlänger stängningstiden hos ventilen.

Typ S0

Kopplingschema Typ S0

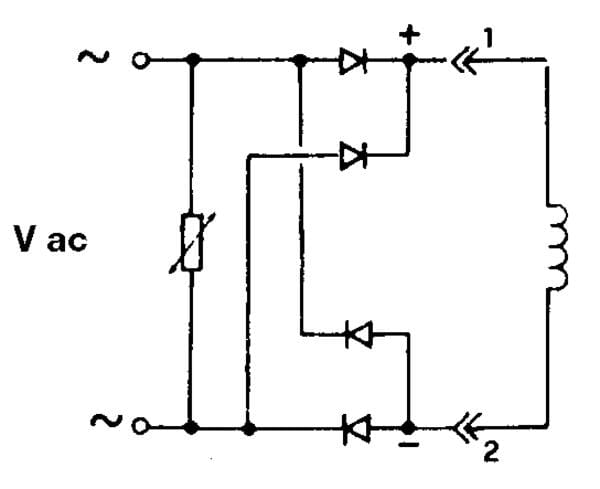
Likriktarbrygga och varistor med eller utan lysdiod R0, R2

Används för att omvandla en växelspänning till en likspänning, varistorn sitter som skydd mot yttre spänningsspikar precis som i C4-kretsen.

Fördelar:

  • Lysdiod för indikering av spänning, se R2
  • Transientskydd i form av varistor

Nackdelar:

  • Viss spänningsförlust ca. 10%

Typ R0

Kopplingsschema Typ R0

Typ R2 med lysdiod

Kopplingsschema Typ R2

Elektrisk specifikation

MATNINGSSPÄNNING MAXIMAL MATNINGSSPÄNNING ENERGITYP KARAKTERISTISK VARISTORSPÄNNING
V AC/DC V AC V DC JOULE MIN NOM. MAX.
12 14 18 0,9 18,7  22  26 
24 30 38 1,8  42  47  52 
48 60 80 1,5 90  100  110 
110 130 170 1,2  164 205  246 
220 250 320 350  390  429 
24* 30 38  42 47  52 

Kabelspecifikation

KABELTYPER PUR 0,5 PUR 0,75 PVC-CEI 0,5 PVC-CEI 1,0 PVC 0,75
Beteckning i best.nr. P2 P3 I2 I4 N3
Kabelfärg Svart Svart Grå Grå Svart
Färg på ledarna Enligt UNEL 0722 (brun, blå och gul/grön) Enligt UNEL 0722 (brun, blå och gul/grön) Enligt UNEL 0722 (brun, blå och gul/grön) Enligt UNEL 0722 (brun, blå och gul/grön) Enligt UNEL 0722 (brun, blå och gul/grön)
Dimension på ledarna, två ledare 2x0,5 mm² 2x0,75 mm² 2x0,5 mm² 2x1,0 mm² 2x0,75 mm²
Dimension på ledarna, tre ledare 3x0,5 mm² 3x075 mm² 3x0,5 mm² 3x1,0 mm² 3x0,75 mm²
Ytterdiameter 5,5 mm 6,5 mm 5,5 mm 7,1 mm 6,6 mm
Maximal spänning 300 V 300 V 300 V 300 V 300 V
Arbetstemperatur rörlig applikation -5 °C till +90 °C -5 °C till +90 °C -5 °C till +70 °C -5 °C till +70 °C -5 °C till +70 °C
Arbetstemperatur fast applikation -30 °C till +90 °C -30 °C till +90 °C -5 °C till +70 °C -5 °C till +70 °C -5 °C till +70 °C
Minsta böjradie 10 ggr. ytterdiameter av kabeln (rörlig applikation) 10 ggr. ytterdiameter av kabeln (rörlig applikation) 10 ggr. ytterdiameter av kabeln (rörlig applikation) 10 ggr. ytterdiameter av kabeln (rörlig applikation) 10 ggr. ytterdiameter av kabeln (rörlig applikation)
Oljeresistiv Ja Ja Ja Ja Nej
Flamsäker Nej Nej Ja Ja Nej
Andra kabeltyper samt CSA/UL-godkänd kabel på förfrågan.

Kolla in vårt sortiment

DIN-kontakt utan kabel

DIN-kontakter används främst till magnetventiler, tryckvakter, tryckgivare och flödesvakter. Kontakterna går att få med krets, såsom lysdiod och varistor. PG-förskruvning är standard, finns även att tillgå med metrisk gänga och utvändig justerskruv för IP67.

DIN-kontakt med ingjuten kabel

Kontakter med ingjuten kabel uppfyller hög IP-klassning och ger en driftsäker lösning, samtidigt som du sparar tid och kostnader vid installation. De används såväl inomhus som inom mobil hydraulik beroende på val av kabeltyp. I vårt sortiment finns DIN- och Junior Timer (AMP)-kontakter med ingjuten kabel. Kablagen går att få med krets, såsom lysdiod och varistor.

DIN-Splitter/ Y-kontakter

En DIN-splitter är det enklaste och snabbaste sättet för dig att koppla ihop flera olika punkter i din applikation. Du väljer helt själv vilka kontakter som ska sitta på ändarna samt längd och utförande på kabel. Varje splitter är kundunik och anpassas helt efter dina behov!

Junior timer/Amp ingjuten kabel

Fordonskontakter för applikationer med höga krav på täthet och funktion!

Tillbehör kabelkontakter

Här hittar du olika tillbehör till våra kabelkontakter.
Teknisk rådgivning

Kim Ekvall

Kundsupport
Vår kundsupport svarar på alla typer av frågor.
075-242 42 00
Skicka e-post
FAQ
+ Hur blir jag kund hos er?
För att kunna handla av oss behöver du bli kund. Vi säljer endast till företag och är du privatperson hänvisar vi dig till grossister och återförsäljare. Ansök om att bli kund här. 
Läs mer
+ Vilka priser ser jag?
Är du inloggad visas priser på alla köpbara artiklar. De priser du ser är bruttopriset, din aktuella rabatt samt valutajusterat nettopris.
Läs mer
+ Kan jag se min orderhistorik på er hemsida?
När du har loggat in på hemsidan så hittar du all din orderhistorik under Mina sidor. 
Läs mer
Chatta
BEHÖVER DU HJÄLP?
Logo

Cookieinställningar för oemautomatic.se

Cookies hjälper oss förbättra din upplevelse hos oss. Så för att kunna analysera trafiken, hantera inloggningsuppgifter, erbjuda dig personlig information och för att grundläggande funktionalitet ska fungera på webbplatsen behöver vi använda oss av lite cookies.

 

Psst! Vi säljer självklart inte vidare information om dig.

Nödvändiga cookies

Dessa cookies är nödvändiga för att webbplatsen ska fungera och kan inte stängas av i våra system. De används vanligtvis endast som svar på åtgärder som du har gjort i anslutning till en tjänstebegäran, till exempel när du ställer in personliga preferenser, loggar in eller fyller i ett formulär.

Analys och mätning

Dessa cookies tillåter oss att räkna antal besök och trafikkällor så att vi kan mäta och förbättra vår webbplatsprestanda. De hjälper oss att veta vilka sidor som är mer eller mindre populära och hur besökare navigerar runt på webbplatsen. Informationen som dessa cookies samlar in är aggregerad och därför helt anonym. Om du inte tillåter dessa cookies vet vi inte när du har besökt vår webbplats.

Marknadsföring

Dessa cookies kan läggas till av våra partners. De kan använda dem för att skapa en profil av dig, baserad på dina intressen, för att visa dig mer relevant information. De sparar ingen personlig information – endast information om din webbläsare och enhet. Om du inte godkänner dessa cookies, kommer du att få en mer allmän och mindre anpassad användarupplevelse.