Tidreläer spelar en nyckelroll inom industriell automation och styrning genom att möjliggöra exakt tidsinställd kontroll av processer och maskiner. Vårt sortiment av tidreläer från Crouzet erbjuder många funktionsvarianter för att möta behoven i alla applikationer där tidsstyrning krävs. De multifunktionella tidreläerna har upp till 12 funktioner integrerade i ett enda relä, vilket gör dem särskilt praktiska vid servicearbeten – du kan enkelt välja önskad funktion efter behov.
Kunskap
| TYP | FUNKTIONER | UTGÅNG | ANSLUTNING | DRIFTSPÄNNNING | BESTÄLLNINGSNUMMER | E-NUMMER |
|---|---|---|---|---|---|---|
| BM1R | A, Ac, At, B, C, D, Di, H, Ht, N, TL, Tt | 1 vxl. relä 16 A | Skruvanslutning | 12-240 V AC/DC | BM1R16MV1 | E40 302 00 |
| BM2R | A, Ac, At, B, C, D, Di, H, Ht, N, TL | 2 vxl. reläer 8 A | Skruvanslutning | 12-240 V AC/DC | BM2R08MV1 | E40 302 01 |
| BA1R | A, At - Till slagsfördröjning | 1 vxl. relä 16 A | Skruvanslutning | 12-240 V AC/DC | BA1R16MV1 | E40 302 02 |
| BA2R | A, At - Tillslagsfördröjning | 2 vxl. reläer 8 A | Skruvanslutning | 12-240 V AC/DC | BA2R08MV1 | E40 302 03 |
| BL1R | L, Li – Paus-/gångtidfunktion | 1 vxl. relä 16 A | Skruvanslutning | 12-240 V AC/DC | BL1R16MV1 | E40 302 04 |
| BL2R | L, Li – Paus-/gångtidfunktion | 2 vxl. reläer 8 A | Skruvanslutning | 12-240 V AC/DC | BL2R08MV1 | E40 302 05 |
| TYP | FUNKTIONER | UTGÅNG | ANSLUTNING | DRIFTSPÄNNNING | BESTÄLLNINGSNUMMER | E-NUMMER |
|---|---|---|---|---|---|---|
| PU2R | A, Ac, Ad, At, B, Bw, C, D, Di, H, Ht | 2 vxl. reläer 10 A | Sockelmontage | 12-240 V AC/DC | PU2R10MV1 | E40 301 88 |
| PA2R | A,At | 2 vxl. reläer 10 A | Sockelmontage | 12-240 V AC/DC | PA2R10MV1 | E40 301 89 |
| PC2R | C | 2 vxl. reläer 10 A | Sockelmontage | 12-240 V AC/DC | PC2R10MV1 | E40 301 90 |
| PL2R | L, Li | 2 vxl. reläer 10 A | Sockelmontage | 12-240 V AC/DC | PL2R10MV1 | E40 301 91 |
| TYP | FUNKTIONER | UTGÅNG | ANSLUTNING | DRIFTSPÄNNNING | BESTÄLLNINGSNUMMER | E-NUMMER |
|---|---|---|---|---|---|---|
| DZ1R | A, Ab, Ac, Ad, Ah, At, B, Bw, C, D, Di, H, Ht, L, Li, O, N, P, Pt, T, TL, Tt, W |
1 vxl. relä 8A | Skruvanslutning | 12-240 V AC/DC | DZ1R08MV1 | E40 302 27 |
| TYP | FUNKTIONER | UTGÅNG | ANSLUTNING | DRIFTSPÄNNNING | BESTÄLLNINGSNUMMER | E-NUMMER |
|---|---|---|---|---|---|---|
| MUR1 | A, Ac, At, B, Bw, C, D, Di, H, Ht | 1 kontakt | Skruvanslutning | 24 V DC/24-240 V AC | 88827105 | E 40 300 14 |
| MAR1 | A, At - Tillslagsfördröjning | 1 kontakt | Skruvanslutning | 24 V DC/24-240 V AC | 88827115 | E 40 300 00 |
| MBR1 | B - Ställbar pulslängd | 1 kontakt | Skruvanslutning | 24 V DC/24-240 V AC | 88827125 | E 40 300 02 |
| MCR1 | C - Frånslagsfördröjning | 1 kontakt | Skruvanslutning | 24 V DC/24-240 V AC | 88827135 | E 40 300 04 |
| MHR1 | H - Inverterat tillslag, Ht - Inverterat tillslag ackumulerad tid (blockering) | 1 kontakt | Skruvanslutning | 24 V DC/24-240 V AC | 88827145 | E 40 300 06 |
| MLR1 | L, Li – Paus-/gångtidfunktion | 1 kontakt | Skruvanslutning | 24 V DC/24-240 V AC | 88827155 | E 40 300 10 |
| MXR1 | Ad, Ah, N, O, P, Pt, TL, Tt, W | 1 kontakt | Skruvanslutning | 24 V DC/24-240 V AC | 88827185 | E 40 300 19 |
| MUR3 | A, Ac, At, B, Bw, C, D, Di, H, Ht | 1 kontakt | Skruvanslutning | 12-240 V AC/DC | 88827103 | E 40 300 16 |
| MUS2 | A, Ac, At, B, Bw, C, D, Di, H, Ht | Statisk utgång | Skruvanslutning | 24-240 V AC | 88827004 | E 40 300 34 |
| MAS5 | A - Tillslagsfördröjt, At - Tillslagsfördröjt ackumulerad tid (blockering) | Statisk utgång | Skruvanslutning | 24-240 V AC/DC | 88827014 | E 40 300 20 |
| MHS2 | H - Inverterat tillslag, Ht - Inverterat tillslag ackumulerad tid (blockering) | Statisk utgång | Skruvanslutning | 24-240 V AC | 88827044 | E 40 300 26 |
| MLS2 | L, Li – Paus-/gångtidfunktion | Statisk utgång | Skruvanslutning | 24-240 V AC | 88827054 | E 40 300 30 |
| GAMLA E-NUMMER | TYP | ERSÄTTS AV | NYA E-NUMMER | TYP |
|---|---|---|---|---|
| E 40 306 10 | TRU |
➜ |
E 40 302 00 | BM1R |
| E 40 306 12 | TRA | ➜ | E 40 300 00 | MAR1 |
| E 40 306 14 | TRC | ➜ | E 40 300 04 | MCR1 |
| E 40 306 16 | TRH | ➜ | E 40 300 06 | MHR1 |
| E 40 306 17 | TRL | ➜ | E 40 302 04 | BL1R |
| E 40 306 18 | TRK | ➜ | E 40 300 69 | TK2R1 |
| E 40 306 19 | TRQ | ➜ | E 40 300 35 | RQR1 |
| E 40 306 20 | TRM | ➜ | E 40 302 01 | BM2R |
| E 40 306 22 | TRA2 | ➜ | E 40 302 01 | BM2R* |
| E 40 306 24 | TRC2 | ➜ | E 40 302 01 | BM2R* |
| E 40 307 30 | MRU1 | ➜ | E 40 302 00 | BM1R |
| E 40 307 32 | MRA1 | ➜ | E 40 300 00 | MAR1 |
| E 40 307 38 | MRKi1 | ➜ | E 40 302 04 | BL1R |
| E 40 307 42 | MRA | ➜ | E 40 300 00 | MAR1 |
| E 40 307 44 | MRC | ➜ | E 40 300 04 | MCR1 |
| E 40 310 00 | MSU | ➜ | E 40 300 34 | MUS2 |
*Ej extern potentiometer
**Monteras direkt på DIN-skena, ej för 11-polig sockel
| GAMLA E-NUMMER | TYP | ERSÄTTS AV | NYA E-NUMMER | TYP |
|---|---|---|---|---|
| E 40 310 02 | MSA |
➜ |
E 40 300 20 | MUS2 |
| E 40 666 09 | BARU230/24 | ➜ | E 40 300 00 | MAR1 |
| E 40 666 19 | TARU230/24 | ➜ | E 40 301 89 | PA2R10 |
| E 40 666 79 | TAXR2U | ➜ | E 40 301 88 | PU2R10 |
| E 40 667 09 | BCRU230/24 | ➜ | E 40 300 04 | MCR1 |
| E 40 667 19 | TCRU230/24 | ➜ | E 40 301 90 | PC2R10 |
| E 40 667 79 | TCXRU | ➜ | E 40 301 88 | PU2R10 |
| E 40 668 09 | BDRU230/24 | ➜ | E 40 302 04 | BL1R |
| E 40 668 19 | TDRU230/24 | ➜ | E 40 301 91 | PL2R10 |
| E 40 668 39 | BLRMU | ➜ | E 40 302 00 | BM1R |
| E 40 668 49 | TLRMU | ➜ | E 40 301 88 | PU2R10 |
| E 40 669 09 | BASU | ➜ | E 40 300 20 | MAS5 |
| E 40 669 19 | TASU | ➜ | E 40 300 20 | MAS5** |
| E 40 669 39 | BDSU | ➜ | E 40 300 30 | MLS2 |
| E 40 669 49 | TDSU | ➜ | E 40 300 30 | MLS2** |
| E 40 669 69 | BLSU | ➜ | E 40 300 34 |
MUS2 |
| E 40 669 79 | TLSU | ➜ | E 40 300 34 | MUS2** |
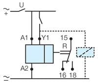
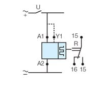
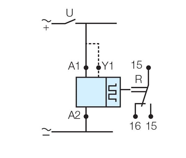
Driftspänningen A1-A2 ansluten. När Y1 ansluts växlar reläet från 15-16 till 15-18. Tidräkningen påbörjas först när Y1 bryts. Reläet återgår till 15-16 när inställd tid löpt ut. Om Y1 sluts innan tidräkningen är färdig, nollställs tiden. 2 tidskontakter eller 1 växlande varav 1 alt. momentan.
När driftspänningen A1-A2 ansluts påbörjas tidräkningen. Reläet börjar med paus och växlar från 15-16 till 15-18 och återgår till 15-16. Förloppet upprepas så länge driftspänningen A1-A2 är ansluten. Inställd tid T är samma för både paus och gångtid.
2 växlande varav 1 alt. momentan.
När driftspänningen A1-A2 ansluts påbörjas
tidräkningen. Reläet växlar direkt från 15-16 till 15-18 och återgår till 15-16. Förloppet upprepas så länge driftspänningen A1-A2 är ansluten. Inställd tid T är samma för både paus och gångtid.
2 växlande varav 1 alt. momentan.
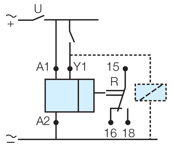
OBS! Y1 måste vara sluten då driftspänningen
A1-A2 ansluts, annars får man en H-funktion.
Y1 sluts och bryts växelvis. När den totala ”brutna” tiden uppnår inställd tid, återgår reläet från 15-18 till 15-16 (läget 15-18 uppstod då driftspänningen A1-A2 anslöts).
2 växlande varav 1 alt. momentan.
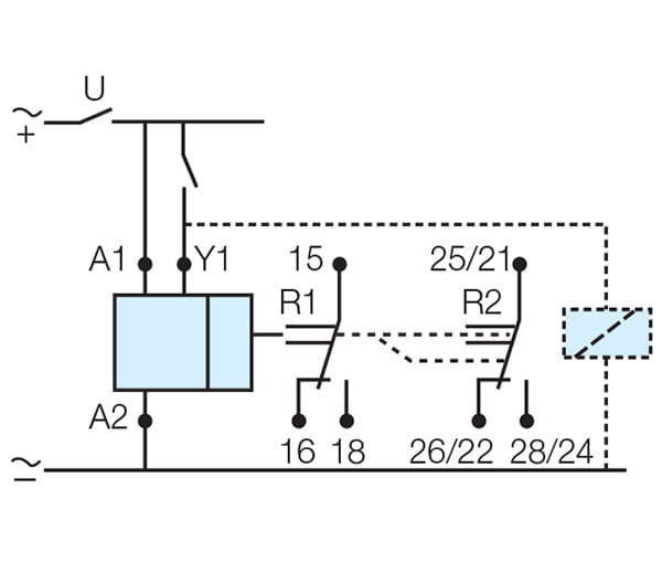
När driftspänningen A1-A2 ansluts påbörjas den första tidräkningen T1. Efter inställd tid växlar utgångsreläet och tidräkningen T2 påbörjas. Cykeln fortsätter tills manöverspänningen på A1-A2 försvinner. T1 och T2 ställs in oberoende av varandra. 2 tidskontakter
Efter första pulsen på Y1 växlar reläet från 15-16 till 15-18. Om tiden mellan två pulser överskrider inställd tid återgår reläet till 15-16. Oberoende om signalen är till eller från.
Multifunktion

1 kontakt

2 kontakter
Funktion: A/H/L



Sören Krause