Lär dig mer om mätvärdesomvandlare
Publicerat: 2024-09-12

Lär dig mer om mätvärdesomvandlare

I den här artikeln utforskar vi mätvärdesomvandlares funktioner, dess användningsområden, och förklarar skillnaden mellan aktiv och passiv galvanisk isolation. Vi ger dig även en översikt av vårt sortiment och tips på hur du väljer rätt mätvärdesomvandlare för just din applikation.

Kunskap

Vad gör en mätvärdesomvandlare?

Mätvärdesomvandlare är viktiga i industriella applikationer för att omvandla analoga mätsignaler, mäta temperaturer och förbättra signalbehandling genom förstärkning eller galvanisk isolering.

NÅGRA VANLIGA ANVÄNDNINGSOMRÅDEN

• Konvertering av en standardsignal till en annan, t.ex insignal 4-20 mA in till utsignal 0-10 VDC
• Konvertera en udda signal till en standardsignal exempelvis 0-3 VDC in/ 4-20 mA ut
• Galvanisk isolation mellan in-och utsignal
• Mätning av till exempel temperatur, ström, spänning, effekt, resistans
• Förstärkning av låga signaler till en mer stabil standardsignal

För att garantera en säker funktion är det mycket viktigt att överföringen mellan in- och utsignal sker utan att signalen förvrängs eller på annat sätt försämras. Våra mätvärdesomvandlare uppfyller dagens hårda krav på noggrannhet, isolation, små byggmått och enkel installation.

Mätvärdesomvandlare 760020.0000 från Lütze

VILKA ÄR DE VANLIGASTE STANDARDSIGNALERNA?

Idag är den absolut vanligaste standardsignalen 4-20 mA. Även 0-20 mA förekommer i äldre anläggningar och produkter. Nackdelen med 0-20mA är att med den signalen kan mätsystemet inte detektera kabelbrott. Till två de mer vanliga signalerna ingår även 0-10 VDC och ±10 V DC.  Gemensamt för dessa standardsignaler är att de kan inte heller kan detektera kabelbrott. Dessutom blir spänningssignaler mer beroende av till exempel kabelresistans som kan påverka mätvärdet och ge en felmätning.

VAD ÄR GALVANISK ISOLATION?

Galvanisk isolation betyder att mätvärdesomvandlaren inte har någon elektrisk kontakt mellan ingång och utgång. Omvandlarna finns med två- eller tre-vägs galvanisk isolation. Med tre-vägs galvanisk isolation är även manöverspänningen skild från in- och utgångssidan och med två-vägs galvanisk isolation sitter manöverspänningen ihop med utsignalen.

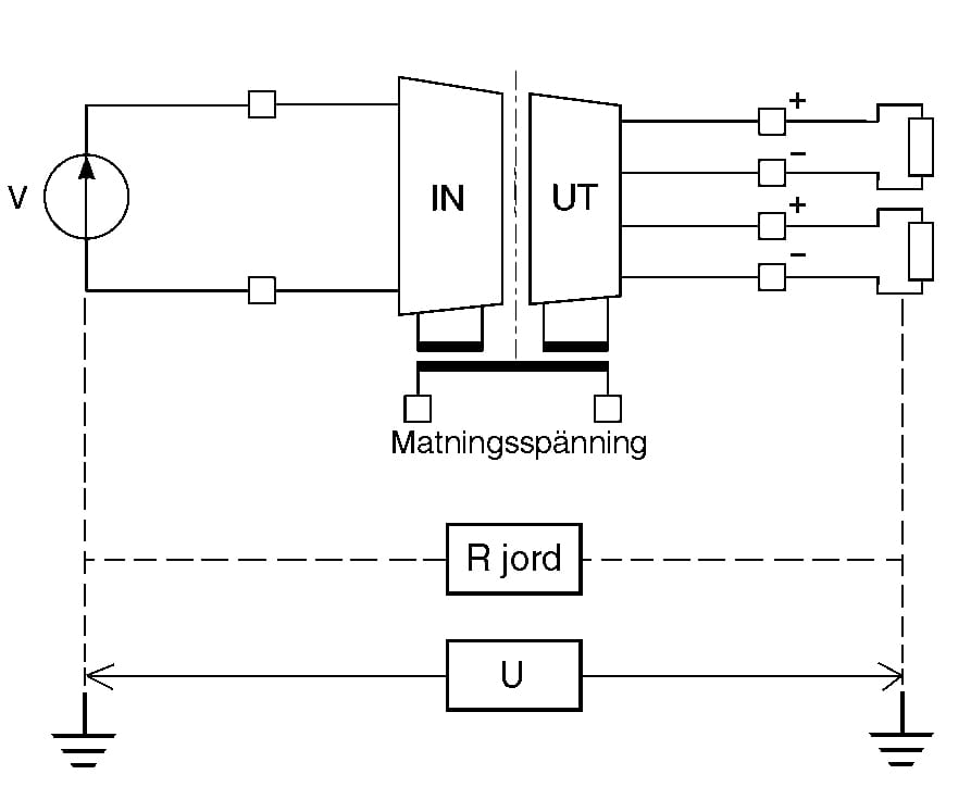
Ritning mätvärdesomvandlare

U = Uppkommen spänning på grund av potentialskillnad mellan jordpunkterna. Med en isolerad mätvärdesomvandlare hindrar man oönskade strömmar att uppstå i mätkretsen.

VAD ÄR FÖRDELARNA MED GALVANISK ISOLATION?

Det vanligaste problemet med överföring av analoga signaler vid långa kabelsträckor är potentialskillnader mellan givare och mottagarelektronikens ingång.

Olika resistans i jordpunkterna ger upphov till att en oönskad ström flyter i mätkretsen, denna ström kan påverka processignalen och ge felaktiga mätvärden och i värsta fall skada dyra ingångskort.

Med galvaniskt isolerade omvandlare förhindrar man effektivt strömslingor att uppstå mellan in- och utsignal/manöverspänning. Kvar blir bara den riktiga processignalen.

Störningar från induktiva och kapacitiva laster kan vara mycket kraftiga. Genom att använda en mätvärdesomvandlare med galvanisk isolation skyddar man effektivt dyra ingångar från höga spänningar alstrade på omvandlarens ingångssida.

AKTIV ELLER PASSIV GALVANISK ISOLATION?

En passiv isolationsförstärkare behöver inte någon separat manöverspänning vilket är en fördel när många kanaler skall isoleras då installationen blir enklare. Denna typ av omvandlare hanterar bara just 4-20mA-signaler, till andra signalomvandlingar måste andra typer av omvandlare väljas.

En aktiv isolationsförstärkare har fördelen att noggrannheten är densamma oavsett lastimpedans inom det angivna impedansområdet. Omvandlaren försörjs med separat manöverspänning och genererar en aktiv utsignal. Manöverspänningen är oftast 24 V DC eller ibland 230 V AC. En aktiv isolationsförstärkare är att rekommendera om man inte vet vilken eller vilka laster man ska ansluta på utgångssidan.


VÅRT SORTIMENT AV MÄTVÄRDESOMVANDLARE

Hos oss erbjuder vi flera olika varianter av mätvärdesomvandlare, vilken du ska välja beror till stor del vilka utmaningar du står inför, både vad det gäller applikation och specifika krav. Nedan ger vi en kort förklaring mellan dom olika typerna.

Mätvärdesomvandlare 760020.0000 från Lütze

ENFUNKTIONSOMVANDLARE/ISOLATIONSFÖRSTÄRKARE

Enfunktionsomvandlare är ett mycket kostnadseffektivt val om man känner till önskade in- och utsignaler. Mätvärdesomvandlarna beställs med en fast in- och utsignal.

Omvandlarna har 3-vägs galvanisk isolation 2500 V och bredden är endast 6,2 mm och är därför mycket lämpliga där många signaler skall behandlas.

Mätvärdesomvandlare 751539.0000

FLERFUNKTIONSOMVANDLARE

Flerfunktionsomvandlare programmeras enkelt med hjälp av en DIP-switch och kan ersätta alla enfunktionsomvandlare. Den kan därför vara lämplig som reservdel i system med olika enfunktionsmodeller, utan behov av efterjustering.

Omvandlarna har 3-vägs galvanisk isolation 2500 V och bredden är endast 6,2 mm.

Mätvärdesomvandlare 750510

MULTIOMVANDLARE

Multiomvandlare är mycket flexibla, önskad in- och utsignal programmeras med hjälp av DIP-switchar. En mängd signalalternativ kan väljas. Bredden är endast 17,5 mm och 3-vägs galvanisk isolation 4 kV.

De flesta omvandlarna har multispänning 24-230 V AC/ DC (matningsspänning).

Universala mätvärdesomvandlare

UNIVERSALOMVANDLARE

Universalomvandlarna innefattar ett antal modeller som kan programmeras för betydligt fler kombinationer av insignaler och utsignaler än våra övriga omvandlare. De kan till exempel hantera både strömmar och spänningar och är ofta ett bra val vid udda insignaler, till exempel  0-100mV eller vid polaritetsvändning av signaler som +/-10 VDC.

Här finns även modeller med display som används både för att visa aktuellt mätvärde samt vid programmering.


Till produkterna

Teknisk rådgivning

Patrik Thunell

Kundsupport
Vår kundsupport svarar på alla typer av frågor.
075-242 42 00
Skicka e-post
FAQ
+ Hur blir jag kund hos er?
För att kunna handla av oss behöver du bli kund. Vi säljer endast till företag och är du privatperson hänvisar vi dig till grossister och återförsäljare. Ansök om att bli kund här. 
Läs mer
+ Vilka priser ser jag?
Är du inloggad visas priser på alla köpbara artiklar. De priser du ser är bruttopriset, din aktuella rabatt samt valutajusterat nettopris.
Läs mer
+ Kan jag se min orderhistorik på er hemsida?
När du har loggat in på hemsidan så hittar du all din orderhistorik under Mina sidor. 
Läs mer
Chatta
BEHÖVER DU HJÄLP?
Logo

Cookieinställningar för oemautomatic.se

Cookies hjälper oss förbättra din upplevelse hos oss. Så för att kunna analysera trafiken, hantera inloggningsuppgifter, erbjuda dig personlig information och för att grundläggande funktionalitet ska fungera på webbplatsen behöver vi använda oss av lite cookies.

 

Psst! Vi säljer självklart inte vidare information om dig.

Nödvändiga cookies

Dessa cookies är nödvändiga för att webbplatsen ska fungera och kan inte stängas av i våra system. De används vanligtvis endast som svar på åtgärder som du har gjort i anslutning till en tjänstebegäran, till exempel när du ställer in personliga preferenser, loggar in eller fyller i ett formulär.

Analys och mätning

Dessa cookies tillåter oss att räkna antal besök och trafikkällor så att vi kan mäta och förbättra vår webbplatsprestanda. De hjälper oss att veta vilka sidor som är mer eller mindre populära och hur besökare navigerar runt på webbplatsen. Informationen som dessa cookies samlar in är aggregerad och därför helt anonym. Om du inte tillåter dessa cookies vet vi inte när du har besökt vår webbplats.

Marknadsföring

Dessa cookies kan läggas till av våra partners. De kan använda dem för att skapa en profil av dig, baserad på dina intressen, för att visa dig mer relevant information. De sparar ingen personlig information – endast information om din webbläsare och enhet. Om du inte godkänner dessa cookies, kommer du att få en mer allmän och mindre anpassad användarupplevelse.